This work was motivated by a collaboration with IP3D team from ITAV. The objective was to denoise images issued from a light sheet microscope (SPIM) build in Toulouse. The model that was proposed and the algorithm that was implemented can also apply to images issued from other modalities, as it can remove stripes (or fringes).
Our contribution: We have proposed a noise model adapted to the stripes that impair SPIM images. It is a stationnary noise, but it is not pixelwise independent (a stripe affects several pixels !). We have provided a variational problem expressing the denoising problem, using a Maximum A Posteriori principle. We have also developed an algorithm that is distributed as a FIJI plugin.
|   |   | 
| Left: original image (zebrafish embryo); right: restored image | |
|   |   | 
| Left: original image (multicellular tumor spheroid); right: restored image | |
|   |   | 
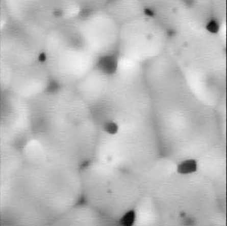
| Left: original AFM image; right: restored image | |
More details:
A new scheme is developed in collaboration with Jean-Marie Mirebeau (CEREMADE, Paris Dauphine). This scheme proposes a discretization of anisotropic diffusion operators that is based on an adequate choice of neighbors based on Lattice Basis Reduction (instead of the standard 9 points stencil).
|   |   |   |   | 
| From left to right: original image; image obtained using our scheme; image obtained using a finite difference scheme; image obtained using a finite elements scheme. | |||
|   |   |   |   | 
| From left to right: detail of the same images. | |||
More details: